|
G-418 ※ "хулиганские" ставки .. покупка. намерение. нет person. ставка . много поэтому оценка . новый клиент , оценка 0. person , с плохой оценкой. ставка. . брать удаление сделаем .. есть . оценка . новый клиент. из раздела вопросов ставка. смысл направление .... пожалуйста .
изображение , информация раздел , примечания . до конца тщательно рассмотрев делайте ставки . тот .. понимание получил сверху .. ставка . судить делаем . после покупки. аукцион. сделка прекращение * возвращенный товар * возвращение денег. не делаем .
покупка ..24 часов в течение сообщение может person , а также , быстро . соответствует может person только пожалуйста, предлагайте цену .
※ данный аукцион страница. на фото нет . использование не по назначению . твердо запрет .. . на фото использование не по назначению . departure . сделал в случае , сейчас последующий сделка воздержаться сделаю .
       * * * большой на фото ставка показатель выше , проблема избежание ! это товар путеводитель. , большой изображение .10 листов и больше разместить на ... i.-..... использование сделал .( бесплатный ) * * *
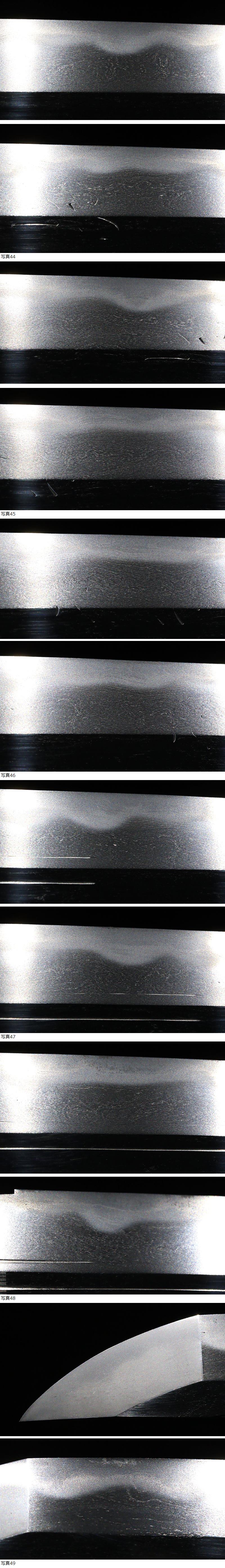
[.] три колонка большой название регистрация [.. Цу Saburou ..] юг север утро период правильный . 10 . один человек важное меч .. равный делать завершение .. жарение лезвие земля металлический .. видеть ... примерно. название меч ... веселье . один .. 2 сяку три размер 7 минут G-418
размер ( примерно ) лезвие длина /71.8. изначальный ширина /3.1cm. ширина /2.3. изначальный накладывающийся /0.7cm. накладывающийся /0.5. лезвие вес /762g
body распределение / поясница изгиб *. структура .*.. гравюра предмет / разница . таблица ... палочки для еды .. знак , разница . обратная сторона . элемент ... знак ../ средний порез .* земля магазин из .. рисунок ковки / запах завершение. .. глаз беспорядок ,. имеется песок сток * золотой линия хорошо можно видеть земля металлический / маленький доска глаз .. маленький . глаз ..., земля . на данный момент . горячая вода бег можно видеть
смена владельца .. документ . необходим кому. после покупки руководство по осуществлению сделки .. пожалуйста свяжитесь с нами .
※ посредничество торговец каждый ранг ※ товар после получения , обязательно вскрыть . товар . уточните пожалуйста . . сам . получить брать .. час пункт .. получение связь пожалуйста . пересылка последующий дефект касается. претензии , возвращенный товар и т.п. совершенно не можем принять . пожалуйста, заранее примите во внимание .
※ о доставке Yamato Transport .. отправка . записано . сумма покупки .30 десять тысяч иен . если превышает . прочее по ситуации , доставляющая компания . модификация сделать есть . в этом случае транспортировка гарантия стоимость и т.п. в зависимости транспортировка .. модификация сделать есть поэтому пожалуйста примите во внимание . пожалуйста понимание пожалуйста .
| | | | | ◆◇ огнестрельное и холодное оружие вид необходимо раздел ◇◆ | | | ■ меч .. размер отображать относительно изначальный ширина ***... есть близко . измерение делаю . ширина *** ширина рука . есть близко . измерение делаю изначальный накладывающийся ***... есть близко. толщина . измерение делаю . накладывающийся *** ширина рука есть близко. толщина . измерение делаю ( некоторые погрешности. . форма ... - ) ■ огнестрельное оружие вид. размер отображать относительно общая длина *** ружье .. из шт. дерево . до . измерение делаю ружье .*** шт. дерево исключая металл часть . измерение делаю ( некоторые погрешности. . форма ... - ) наша компания . выставить меч . вид. , приобретение сделал час. состояние. .. выставлен . - Baki , реквизит и т.п. . в этой компании регулировка сделал . замена ... не делаем поэтому , соединять нет . и претензии. не принимаем . лезвие. ...... нет размещаем поэтому фотография . тщательно рассмотрев делайте ставки . . касается , информация . нет и т.п.. претензии. не принимаем . фотография .. трудно понять часть. раздел вопросов . по телефону спрашивайте . однако , информация раздел . надпись. нет лезвие порванный касается только возвращенный товар . консультации . отвечает . ※ покупка .. куплен . за наличные после прибытия 20 дней в течение регистрационное удостоверение . записанный каждый префектуральный образование комитет . сообщение . регистрационное удостоверение. смена владельца . обязательно пожалуйста обратитесь | | | | ◆◇ осуществление сделки относительно ◇◆ | | | ■ после покупки. [ руководство по осуществлению сделки ] в соответствии сделка ... пожалуйста . ■ что касается отправки доставка на день и т.п.. . желающий . если есть , сделка сообщение .. сообщите пожалуйста . ※ после покупки. сообщение. , со дня покупки 24 часов в течение , уплата процедура. 3 дней в течение пожалуйста . ( по ситуации задержка .... если сделка сообщение .. это сообщите .) | | | | ◆◇ примечания ◇◆ | | | ■ выставленный товар. почти все. старый . товар поэтому , времена течение по причине загрязнения * потертость и т.п. есть . новый товар ( совершенно товар ). кто ищет , мелкий состояние . принимать близко к сердцу person. . воздержитесь от участия в торгах . ■ часть flash . использовать . фотосъемка делаю . товар на фото оттенок. монитор. установка , окружающая среда и т.п. в зависимости , несколько отличается случается поэтому после подтверждения , делайте ставки . ■ "хулиганские" ставки .,. покупка. намерение. нет person. ставка . много поэтому , новый клиент . оценка . плохой person в связи с этим , этот судить . ставка . отменить случается . новый клиент. ставка. , раздел вопросов в зависимости ставка. смысл направление .... пожалуйста . ■. отмена ставки ,. отмена после покупки. не принимается поэтому , хорошо . обдумывание. сверху . делайте ставки . | | | | ◆◇ о доставке ◇◆ | | | товар отправка размер /160 размер . предполагаем . Yamato Transport или Sagawa Express .. отправка . предполагаем . без предупреждения отправка размер , стоимость доставки . модификация сделать есть . пожалуйста понимание. примерно пожалуйста . окружающая среда гарантия все поэтому , повторный выгода для картонная коробка и старый газета используя отправка есть . сотрудничество пожалуйста . | | | | ◆◇ обращение с вопросами ◇◆ | | | TEL.082-490-4366 | | | + + + описание этого товара "Auction Plate Maker" 2 изготовлен + + + No.219.005.001 (2025 год 10 месяц 1 день. модифицировано . последующий плата. ) | | Yamato takkyubin (home delivery service) плата ( Hiroshima из отправка / 160 размер ) | | 3,020 иен | Osaka Kyoto Shiga Nara Wakayama Hyogo Okayama Hiroshima Yamaguchi Tottori Shimane Kagawa Tokushima Ehime Kochi Fukuoka Saga Nagasaki Kumamoto Ooita Miyazaki Кагосима | | 3,160 иен | Shizuoka Aichi три слоя Gifu Toyama Ishikawa Fukui | | 3,320 иен | Ibaraki Tochigi Gunma Saitama Chiba Kanagawa Tokyo Yamanashi Niigata Nagano | | 3,630 иен | Aomori Akita Iwate Miyagi Yamagata Fukushima | | 4,370 иен | Hokkaido | | 4,680 иен | Okinawa | + + + описание этого товара "Auction Plate Maker" 2 изготовлен + + + No.902.006.006
|